Commande de vitesse pour moteur à courant continu : Régulation par génératrice tachymétrique

Celle-ci, placée en bout d’arbre du moteur, fournit une tension proportionnelle à la
vitesse de rotation. Le régulateur agit pour que cette tension (la vitesse de rotation) soit égale
à la tension de consigne. Cette méthode permet d’avoir une très grande précision, de 0,1%
pour une variation de charge importante.
La Figure 1. montre les différents éléments d’une boucle de régulation utilisant une
génératrice tachymétrique.


FIGURE 1 ASSERVISSEMENT DE VITESSE D’UN MOTEUR C.C
 

•  La rampe (Figure 2)

Cette fonction transforme un échelon de tension d’entrée en une tension de sortie
variable linéaire. Elle se compose d’une façon générale d’un intégrateur rebouclé sur un comparateur qui per


FIGURE 2. CIRCUIT DE LA RAMPE D’ACCÉLÉRATION


•  Le comparateur (Figure 3)

C’est un amplificateur de différence qui compare la consigne à la tension provenant de
la génératrice tachymétrique. Cette différence donne l’erreur entre ces deux valeurs au régulateur.


FIGURE 3. COMPARATEUR D’ERREUR

•  Le régulateur (Figure 4)

Le régulateur est de type proportionnel, intégral (PI). La partie proportionnelle permet
une correction rapide de l’erreur, tandis que la partie intégrale corrige tant qu’il y a une erreur.
Cette correction agit sur le circuit d’amorçage.


FIGURE 4 RÉGULATEUR PI


Circuit d’amorçage(Figure 5)

C’est un circuit qui permet d’amorcer à un moment bien précis le ou les thyristors qui
alimentent le moteur.
Ce circuit génère une rampe qui est synchronisée sur le secteur, celle-ci
est comparée à la tension provenant du régulateur. La sortie du comparateur permet à un
générateur d’impulsions de commander les thyristors avec un angle pouvant varier entre 0°et
180°.L’isolation entre le circuit d’amorçage et les thyristors se fait par transformateur
d’mpulsion.



























FIGURE 5 CIRCUIT D’AM ORÇAGE


Commande de vitesse pour moteur à courant continu : Régulation de vitesse

Les variateurs de vitesse permettent non seulment de contrôler la vitesse et d’inverser le sens de rotation, mais aussi d’asservir la vitesse, soit en la maintenant égale à une valeur déterminée, quel que soit le couple résistant exercé sur l’arbre. Le schéma synoptique de la Figure 1. présente les principaux éléments d’un variateur de vitesse pour un moteur c.c à excitation séparée.



FIGURE 1.DIAGRAMME SYNOP TIQUE D’UN VARIATEUR DE VITESSE POUR UN MOTEUR À C.C


Le système comprend :
•  un module de commande qui est constitué d’un régulateur de vitesse, un circuit
d’amorçage à thyristors et des circuits pouvant régler la vitesse de rotation, l’accélération,
la décélération, le courant d’induit maximum et le couple maximum. Tous ces réglages
peuvent se faire à l’aide de potentiomètres s’il s’agit de carte analogique ou d’un
microprocesseur dans le cas de variateur numérique .
•  un capteur de vitesse transmettant un signal proportionnel à la vitesse du moteur . Ce
capteur est soit une génératrice tachymétrique qui est entraînée par le moteur ou un disque
codé, utilisé pour le comptage associé à un convertisseur fréquence-tension.
•  un module de commande qui ajuste l’angle d’amorçage des thyristors en fonction de la
vitesse du moteur.
On retrouve deux méthodes permettant la régulation de vitesse d’un moteur à courant continu,
soit :
•  par génératrice tachymétrique ;
•  par tension d’induit ou f.c.é.m.



Commande de vitesse pour moteur à courant continu : Variateur de vitesse réversible

Un variateur est réversible lorsqu’il permet un changement rapide du sens de marche.
Cela nécessite une commande à quatre cadrants.
La Figure 1. représente les quatre cadrants dans lesquels un variateur réversible peut fonctionner. La vitesse est indiquée sur l’axe horizontal et le couple, sur l’axe vertical.




FIGURE  1 REPRÉSENTATION DES QUATRE QUADRANTS DU COUPLE ET DE LA VITESSE


Premier quadrant: Le moteur fonctionne dans le sens direct. Le couple et la vitesse sont positifs.
Deuxième quadrant: Le moteur fonctionne en sens inverse (vitesse négative) et le couple est positif
(période de freinage ou récupération)
Troisième quadrant: Le moteur fonctionne en sens inverse et le couple est négatif.
Quatrième quadrant: Le couple est négatif et la vitesse est positive (période de freinage ou récupération).

Déroulement d’un cycle normal : 

Démarrage dans le sens direct (quadrant 1); freinage et récupération (quadrant 4).
Démarrage dans le sens inverse (quadrant 3) ; freinage et récupération (quadrant 2).
Pour réaliser un variateur de vitesse réversible à quatre quadrants, on utilise le montage de la
Figure 2 qui est constitué de deux ponts à thyristors.

FIGURE 2 REDRESSEUR RÉVERSIBLES À THYRISTORS 



Commande de vitesse pour moteur à courant continu : Variateur de vitesse à thyristors

Les convertisseurs alternatif- continu sont les variateurs de vitesse les plus répandus
pour les moteurs à courant continu, puisqu’ils utilisent directement la tension du réseau. Ils
sont monophasés ou triphasés. Les ponts monophasés sont utilisés dans les variateurs de
faible puissance (jusqu’à 10kw environ). Ils comprennent soit un pont complet de quatre
thyristors (Figure 1) ou un pont mixte à deux thyristors et deux diodes. Les ponts triphasés
sont employés pour les puissances supérieures à 10kw. On peut choisir un pont complet à six
thyristors ou mixte à trois thyristors et trois diodes.


FIGURE 1 REDRESSEUR À THYRISTORS MONOPHASÉS

Commande de vitesse pour moteur à courant continu : Caractéristiques d’un moteur à courant continu


La vitesse d’un moteur à courant continu est inversement proportionnelle au flux inducteur et
directement proportionnelle à la force contre-électromotrice du moteur.Cette relation nous est
donnée par L’Equation 1.


EQUATION 1

Le couple du moteur est proportionnel au flux inducteur et au courant de l’inducteur
(Equation  2).

C= K× φ×IA

EQUATION 2

La puissance mécanique est proportionnelle au couple et à la vitesse du moteur (Equation 3).

P  = 0,105×C ×N

EQUATION 3

On peut faire fonctionner le moteur à couple constant en variant la tension de l’induit. Dans ce
cas, la puissance varie en fonction de la vitesse. Si on varie le flux inducteur et si l’on garde
la tension de l’induit constante, le couple variera inversement proportionnellement à la vitesse
du moteur, et la puissance demeurera constante.

La Figure 4 nous montre la relation entre le couple et la puissance du moteur en fonction de
la vitesse.


FIGURE 4 PUISSANCE ET COUPLE EN FONCTION DE LA VITESSE

Dans l’industrie, 90% des applications fonctionnent à couple constant. Ainsi on retrouve le
fonctionnement à puissance constante dans les pompes, les machines outils et les systèmes
d’enroulement.


Commande de vitesse pour moteur à courant continu

Les moteurs à courant continu sont utilisés dans de nombreuses applications
industrielles, bien que leur construction soit plus complexe que celle des moteurs à courant
alternatif.

Les avantages de ces moteurs sont :

•  une large gamme de variations de vitesse au-dessus et au-dessous de la vitesse de régime ;
•  un fonctionnement avec des couples constants ou variables ;
•  une accélération, un freinage et une inversion du sens de rotation très rapide, ce qui est
avantageux dans le cas des appareils de levage et des machines outils ;
•  une vitesse de rotation qui peut être régulée par l’intermédiaire d’un système de
rétroaction ;
•  la possibilité de fonctionner comme générateur lors du freinage par récupération d’énergie.

Le convertisseur continu - continu : Les applications des hacheurs

Les hacheurs sont utilisés dans de nombreuses applications industrielles, surtout dans
le domaine de la traction électrique. Ils alimentent et contrôlent la vitesse des moteurs à
courant continu qui équipent les locomotives électriques, les métros et les véhicules à batterie
d’accumulateurs (charriots élévateurs, voitures électriques et locomotives de mines).

Les hacheurs de petite puissance ( 0 à 100KW) sont généralement employés dans les
véhicules électriques à batteries. Les hacheurs de puissance > 100KW sont utilisés dans les
locomotives électriques qui fonctionnenet à partir d’un réseau à courant continu (circuit
redresseur).

Le convertisseur continu - continu : Le hacheur survolteur

Le schéma de principe d’un hacheur survolteur est illustré à la Figure 1. Le thyristor
qui joue le rôle de commutateur statique est placé en parallèle avec la charge. Lorsque th1 est
à l’état passant, la bobine se charge à travers l’alimentation. Lorsque th1 bloque, la tension
appliquée à la charge devient la somme de la tension de la bobine et de la source. La tension
de sortie nous est donnée par l’équation .
On retrouve ce hacheur dans certaines commande de moteurs qui permettent la récupération
d’énergie sur le réseau, pendant la période de freinage du moteur.


FIGURE 1 HACHEUR SURVOLTEUR

l’équation


Le convertisseur continu - continu : Le hacheur dévolteur

  La figure 1 représente le schéma de principe d’un hacheur dévolteur muni d’un filtre
de sortie LC, qui débite un courant dans une charge résistive. L’ouverture et la fermeture
périodique de l’interrupteur S permet de hacherla tension continue d’entrée pour produire une
tension de sortie variable. L’inductance réduit l’ondulation du courant de charge et le
condensateur C maintient la tension de sortie sensiblement continue. La diode assure la
continuité du courant dans la charge lorsque l’interrupteur est ouvert. La forme d’onde à la
sortie du hacheur est montrée à la Figure 2


FIGURE 1 LE HACHEUR DÉVOLTEUR


 FIGURE 2 FORME D’ONDE À LA SORTIE D’UN HACHEUR DÉVOLTEUR


La tension de sortie est donnée par l’équation :

L’amorçage des thyristors alimentés en courant continu ne présente pas de difficulté
particulière. Par contre, leur désamorçage nécessite des circuits supplémentaires de blocage.
Il existe de nombreux dispositifs hacheurs qui se différencient les uns des autres par
leur circuit de blocage. Le rôle de ce circuit est de forcer l’extinction du thyristor principal à
la fin du temps de conduction. La Figure 3 représente un hacheur dévolteur dont le
thyristor principal (Th1) est bloqué à l’aide d’un thyristor auxiliaire (Th2) et d’un circuit LC.


FIGURE 3 HACHEUR DÉVOLTEUR AVEC SON CIRCUIT DE DÉSAMORÇAGE

Pour pemettre au condensateur de se charger M(+) et N(-), le thyristor Th2 doit être
amorcé le premier, alors Th1 est à l’état bloqué. Lorsque le condensateur est chargé, le
thyristor Th2 se bloque. Quand Th1 est amorcé, le courant circule dans la charge, et le
condensateur se charge dans l’autre polarité à travers L et D. Lorsque le thyristor Th2 est
amorcé, une tension négative est appliquée sur Th1 par le condensateur, et Th1 se bloque. Et
ensuite le cycle recommence.


Le convertisseur continu-continu (le hacheur)

Le convertisseur continu - continu (le hacheur)

Le hacheur est un commutateur statique constitué de thyristors ou de transistors qui
permet de transformer une tension continue fixe en une autre tension continue variable.



FIGURE  1 CONVERTISSEUR CONTINU-CONTINU

On distingue deux types de hacheurs couramment utilisés :
•  les hacheurs dévolteurs : ceux-ci fournissent, avec un excellent rendement, une tension
continue de sortie dont la valeur est inférieure à celle de la tension continue d’entrée.
•  les hacheurs survolteurs : ceux-ci permettent d’obtenir une tension de sortie supérieure à la
tension d’entrée.


Le convertisseur alternatif-continu

Le convertisseur C.A à C.C nous donne, à partir d’une source de tension alternative
monophasée ou polyphasée, une tension continue quipeut être fixe ou variable (Figure 1).


FIGURE 1 CONVERTISSEUR ALTERNATIF-CONTINU

1. Le redresseur à tension fixe en commutation naturelle à base de diodes

1.1. Le redresseur fixe monophasé

Le redresseur fixe ou non commandé contient seulement des diodes produisant ainsi
une tension continue fixe à sa sortie.

On retrouve deux types de redresseurs monophasés, soit:
A) le redresseur simple alternance ou demi-onde;
B) le redresseur double alternance ou pleine-onde.

A) Le redresseur simple alternance

Le redresseur simple alternance est composé d’une seule diode ( Figure 2) et la tension
moyenne à la charge nous est donnée par l’équation 2.1 : D


FIGURE 2 REDRESSEUR MONOPHASÉ SIMPLE ALTERNANCE


                Vo moy = Emax /π


B) Le redresseur double alternance en pont

Ce redresseur est réalisé à partir de quatre diodes montés en pont (Figure 3) et la tension
moyenne à la charge est donnée par l’équation 2.2 :


FIGURE 3 REDRESSEUR MONOPHASÉ DOUBLE ALTERNANCE

                     Vo moy = 2Emax/π

1.2. Le redresseur fixe triphasé

Le redresseur monophasé est limité à des puissances pouvant atteindre 10Kw. Pour
alimenter des puissamces supérieures à cette valeur, on utilise des redresseurs triphasés, comme :

A) Le redresseur en étoile à simple alternance;
B) Le redresseur en pont.

A) Le redresseur triphasé à simple alternance

Le redresseur triphasé en montage étoile, représentée à la Figure 4, comprend un
transformateur triphasé dont les enroulements primaires sont branchés en triangle et les
enroulements secondaires sont branchés en étoile. Une diode est placée sur chaque phase et la
charge résistive est branchée entre le point commun des cathodes des diodes D1, D2, D3 et le
point neutre. Chaque diode conduit sur un intervalle de 120°. Elle laisse passer le courant
dans l’intervalle de temps où la tension de sa phase est supérieure aux deux autres (Figure
5). Le courant moyen dans chaque diode équivaut au tiers du courant de charge et la
fréquence du signal de sortie est égale à trois fois le signal d’entrée
.
Ce redresseur est employé que pour des montages industriels de petites puissances.

FIGURE 4 REDRESSEUR TRIPHASÉ SIMPLE ALTERNANCE

 FIGURE 5 FORME D’ONDE D’UN REDRESSEUR TRIPHASÉ SIMPLE ALTERNANCE

Valeurs caractéristiques des tensions et courants:

La valeur moyenne de tension à la charge est donnée par l’équation 2.3 :


B) Le redresseur triphasé en pont

Le redresseur triphasé en pont (Figure 6) est un des circuits redresseurs industriels
les plus efficaces, il peut être considéré comme redresseur simple alternance à anode
commune et cathode commune montés en « tête-bêche ».



FIGURE 6 REDRESSEUR TRIPHASÉ EN PONT

Considérons la représentation graphique des tensions triphasés d’alimentation (Figure
7). Quand la tension de phase e1est supérieure aux tensions e2et e3, la diode D1 conduit,
et les diodes D2 et D3 sont à l’état bloqué. De même la diode D6 conduit, et les diodes D5 et
D6 sont bloquées.

Le même raisonnement s’applique lorsque la tension e2est supérieure aux deux (2) autres.
Chaque diode conduit pendant un intervalle de 120°. À titre d’exemple, la diode D1 conduit
60°avec D4 et 60°avec D5. Le courant moyen dans chaque diode est égale au tiers du
courant de charge. La fréquence du signal à la sortie équivaut à six fois la fréquence
d’entrée.

Une bobine peut être rajoutée en série avec la charge pour diminuer le taux d’ondulation.

FIGURE 7 FORME D’ONDE D’UN REDRESSEUR TRIPHASÉ EN PONT

Valeurs caractéristiques des tensions et des courants:
La valeur moyenne de tension à la charge est donnée par l’équation 2.4 :

Vo moy = 1,65 E max (2.4)
E : tension de phase

2. Le redresseur à tension variable en commutation contrôlée à base de thyristors
(redresseur commandé)


Les redresseurs commandés permettent de contrôler la tension moyenne à la charge.
On les utilise surtout dans la commande des moteurs à courant continu pour varier la vitesse.
On retrouve les redresseurs commandés à simple et double alternance pour des tensions
monophasées et triphasées.

2.1. Le redresseur commandé monophasé

A) Le redresseur commandé monophasé à simple alternance

Pour varier la tension moyenne à la charge, on utilise un thyristor qui est déclenché à
partir d’un circuit de commande synchronisé sur le secteur (Figure 8). On utilise en général
la commande par rampe synchrone.


FIGURE 8 REDRESEUR COMMANDÉ SIMPLE ALTERNANCE

En l’absence de signal sur la gachette, le thyristor est à l’état bloqué. Si l’on applique une impulsion
sur la gachette durant le cycle positif, le thyristor conduit.Il bloque lorsque la tension passe à zéro
et durant le cycle négatif .

Tension moyenne à la charge

La valeur moyenne de tension est donnée par l’équation 2.5 :



B) Le redresseur monophasé en pont semi-commandé

Dans le cas du redresseur en pont mixte avec deux thyristors et deux diodes
(Figure 9), les deux alternances sont contrôlées et le circuit nécessite des signaux de gachette
déphasés de 180°. On utilise un transformateur d’impulsion avec deux secondaires pour
réaliser l’amorçage.

La diode D5 est utilisée pour assurer le blocage des thyristors dans le cas d’une charge
fortement inductive (moteur électrique). Cette diode est aussi appelée (diode de roue libre.


FIGURE 9 REDRESSEUR EN PONT SEMI-COMMANDÉ

Tension moyenne à la charge:
La valeur de tension à la charge est donnée par l’équation 2.6 :



C) Le redresseur monophasé en pont complètement commandé


On peut réaliser un redresseur en pont enutilisant quatre thyristors (Figure 10). Ce
circuit nécessite l’utilisation de deux transformateurs d’impulsions avec chacun, deux
enroulements au secondaire.

À l’aide de ce redresseur, il est possible de fournir de l’énergie au réseau par l’intermédiaire du transformateur, à condition que l’angle d’amorçage soit supérieur à 90°et que la charge soit
fortement inductive comme dans le cas d’un moteur à courant continu en période de freinage.



FIGURE 10 REDRESSEUR EN PONT COMPLETEMENT COMMANDE

2.2. Le redresseur commandé triphasé

A) Redresseur commandé triphasé à simple alternance

Ce type de montage correspond à trois circuits redresseurs commandés monophasés à
simple alternance qui fontionnent les uns après les autres (Figure 11).

Le circuit de commande du redresseur doit envoyer, sur la gachette des thyristors des
impulsions décalés de 120°.


FIGURE 11 REDRESSEUR COMMANDÉ TRIPHASÉ À SIMPLE ALTERNANCE

Tension moyenne à la charge:

Lorsque l’angle d’amorçage est compris entre 0
°
et 30°, la tension à la charge n’est pas
interrompue. La tension moyenne à la charge est donnée par l’équation 2.7 :



Quand l’angle d’amorçage devient supérieur à 30°, la valeur moyenne est donnée par
l’équation 2.8 :



Dans le cas d’une charge fortement inductive, le circuit peut agir comme redresseur (Figure
12) pour un angle situé entre 0°et 90°, et comme onduleur (générateur )pour un angle au
dessus de 90°. Dans ce cas-ci, le circuit fournit de l’énergie au réseau (Figure 13).



Ce fonctionnement est utilisé en traction électrique lors du freinage des trains ;durant la
période de freinage , les moteurs à courant continu deviennent temporairement des
génératrices.

B) Redresseur triphasé en pont complètement commandé

Le redresseur en pont de la Figure 14 est constitué de six thyristors qui sont
déclenchés à tour de rôle. On observe (Figure 15) que le thyristor Th1 est amorcé quand la
phase e1est durant la période maximum; ensuite ,c’est au tour de Th2 d’être amorcé 60°plus
tard. Le même scénario se répète avec les thyristors Th3 et Th4. Dans le cas de charge inductive
 (moteur à courant continu, on branche une diode de roue libre en parallèle avec la charge.

Ce circuit est plus utilisé en industrie que le circuit précédent car il offre un meilleur
rendement


FIGURE  14 REDRESSEUR TRIPHASÉ EN PONT COMPLETEMENT COMMANDE



FIGURE 15 FORME D’ONDE POUR UN REDRESSEUR TRIPHASÉ EN PONT COMPLETEMENT COMMANDE

Tension moyenne à la charge
La tension moyenne à la charge est donnée par l’équation 2.9 :



Types de commande électronique des moteurs asynchrones triphasés

Commande de moteurs asynchrones triphasés

Depuis les années 70, on utilise de plus en plus des moteurs à courant alternatif (synchones et
asynchrones). Ces moteurs sont plus robustes que les moteurs à courant continu ayant des
performances similaires et leur coût est moins élevé.

Les moteurs à courant alternatif sont alimentés par des tensions et des fréquences variables à
partir :

•  de gradateurs à thyristors ( Figure 1.4) ;
•  d’onduleurs autonomes à fréquence variable (Figure 1.5) ;
•  de cycloconvertisseurs ( Figure 1.6).


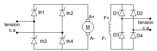
Types de commande électronique des moteurs à courant continu

 Commande de moteurs à courant continu

Les moteurs à courant continu sont alimentés à partir :
•  d’un réseau alternatif (monophasé ou triphasé) par l’intermédiaire de redresseur à
thyristors (Figure 1-1);
•  de redresseurs à diodes suivis de hacheurs à thyristor (Figure 1-2);
•  d’une batterie d’accumulateurs par l’intermédiaire d’hacheurs à thyristors (Figure 1-3).



Types de commande électronique des moteurs : Introduction

1.1 Introduction

La commande de vitesse des moteurs constitue l’application la plus importante de l’électronique de puisssance.
Les installationsindustrielles utilisent de plus en plus des variateurs électroniques de vitesse
à thyristors, soit pour obtenir la vitesse d’entraînement optimale de machines pour chaque étape d’un procédé industriel, soit pour asservir la vitesse d’un ou de plusieurs moteurs entraînant des équipements électromécaniques. Dans le cas des entraînements contrôles à vitesse variable, on utilise principalement les moteurs à courant  continu à excitation séparée et les moteurs à courant alternatif triphasés asynchrones.

Commande de la signalisation bureau

1. Objectif visé :

A l’issue de cette séquence, la stagiaire sera capable :

- d’installer, raccorder et entretenir des commandes à très basse tension.

2. Matériel (équipement et matière d’œuvre) :

a) équipement, outillage et matériel

Banc d’essai avec une sortie d’alimentation TBT,

F1 : coupe – circuit,
T1 : transformateur 220 / 24 V,
S1 : bouton poussoir « Appel » porte,
S2 : bouton poussoir « Entrez » bureau,
S3: bouton poussoir « Revenez » bureau,
S4 : bouton poussoir « Attendez » bureau,
H1 : ronfleur bureau,
H2 : voyant “Présence Visiteur” bureau,
H3 : voyant “ Entrez” bureau,
H4 : voyant “Entrez” Porte,
H5 : voyant “Revenez” bureau,
H6 : voyant “Revenez” porte,
H7: voyant “Attendez” bureau,
H8 : voyant “Attendez” porte,
H9 : ronfleur porte,
K1A : relais auxiliaire « Appel »,
K2A : relais auxiliaire mémoire « Appel »,
K3A : relais auxiliaire « Attendez »,
K4A : relais auxiliaire mémoire « Attendez »,
K5 A : relais auxiliaire « Entrez »,
K6T : relais auxiliaire « Revenez »,
Y1 : gâche électrique.
N.B. Pour le choix des relais voir annexes.

b) Matière d’œuvre

- Conducteur HO3 0.7v-v
- Goulotte,
- Fiche banne femelle

3. Description

Schéma développé du montage


Pour entrer dans un bureau, le visiteur signale sa présence en appuyant sur un bouton
poussoir (S1) situé prés de la porte d’entrée. Cette action met en service une
signalisation visuelle et sonore. L’occupant, recevant l’appel, doit alors sélectionner une
des trois réponses qui s’affiche dans son bureau et dans le couloir.

-« Entrez » : la signalisation visuelle est limitée à 20 secondes, une gâche électrique
ouvre la porte d’entrée.
- « Revenez » la signalisation visuelle est limitée à 20 secondes,
- « Attendez » la signalisation visuelle disparaît au moment ou l’occupant reselectionne
une des deux réponses précédentes,
Toute signalisation visuelle est accompagnée d’une brève signalisation sonore donnée
par un ronfleur.

4. Déroulement

Après la réalisation du montage, (fixation et raccordement des éléments)
Une action sur le bouton poussoir d’appel (S1) excite la bobine K1A qui :

- alimente le ronfleur H1,
- excite la bobine K2A qui s’auto - alimente : le voyant «Présence Visiteur » (H2) s’allume.
- Le relâchement de ce bouton poussoir désexcite la bobine K1A et arrête le ronfleur H1.

L’occupant du bureau peut répondre de trois façons différentes.

a) il appuie sur le bouton poussoir « entrez » (S2). Le relais K5T s’excite ce qui provoque :

- la désexcitation de la bobine K2A et l’extinction du voyant « Présence Visiteur » H2,
- l’allumage des voyants « Entrez » (H3 et H4)
- l’alimentation de la gâche électrique (Y1) (ouverture de la porte).
- le fonctionnement du ronfleur (H9).

Le relâchement de ce bouton poussoir désexcite le relais K5T qui arrête le ronfleur et
éteint, après une temporisation de vingt secondes, les voyants « Entrez ».

b)  il appuie sur le bouton poussoir « Revenez » (S3). Le relais K6T s’excite ce qui provoque :

- la désexcitation de la bobine K2A et l’extinction du voyant « Présence Visiteur » (H2),
- l’allumage des voyants « Revenez » (H5 et H6),
- le fonctionnement du ronfleur (H9).

Le relâchement de ce bouton poussoir désexcite la bobine K6T qui arrête le ronfleur et
au bout d’une temporisation de vingt secondes, éteint les voyants « Revenez ».

c) il appuie sur le bouton poussoir « Attendez » (S4). Le relais K3A s’excite ce qui provoque :

- l’excitation de la bobine K4A qui s’auto alimente,
- l’allumage des voyants « Attendez » (H7 et H8),
- le fonctionnement du ronfleur (H9).

Le relâchement de ce bouton poussoir désexcite la bobine K3A qui arrête le ronfleur.
Il faut attendre l’action sur un des boutons poussoirs « Entrez » S2 ou « Revenez »
(S3) pour permettre, d’une part, la désexcitation de la bobine K4A et, d’autre part,
l’extinction des voyants « Attendez » (H7 et H8) et « Présence Visiteur » (H2).


Signalisation de sécurité

1. Objectif visé :

A l’issue de cette séquence le stagiaire sera capable :

- d’élaborer le schéma de commande à TBT,
- d’utiliser les relais temporisés,
- de réaliser un câblage de commande à TBT.

2. Matériel (équipement et matière d’oeuvre):

a) équipements, outillage et matériel

Banc d’essai avec alimentation en TBT,

F1 : coupe – circuit de protection,
S1 : bouton poussoir arrêt,
S2 : bouton poussoir marche,
K1A : relais auxiliaire marche,
K2A : relais mise en service feu vert,
K3T : relais mise en service feu orange,
K4T : relais mise en service feu rouge,
K5T : relais fin de cycle,
H1 : lampe verte,
H2 : lampe orange,
H3 : lampe rouge.
N.B. Pour le choix des relais voir annexes.

b) matière d’oeuvre

- Conducteur rigide ou bien simple (HO3 V8V 0.75mm),
- Goulotte,
- Fiche banane femelle,
- Plaque de bakélite ou bien plexiglas (Exemp. 40 x 50 cm)

3. Description:

Schéma développé du montage



LEGENDE :

F1 :fusible de protection du circuit de signalisation,
S1 :  bouton poussoir arrêt,
S2 :bouton poussoir marche,
K1A :relais auxiliaire marche,
K2A :relais mise en service feu vert,
K3T :relais mise en service feu orange,
K4T :relais mise en service feu rouge,
K5T :relais fin de cycle,
H1 :lampe verte,
H2 :lampe orange,
H3 :lampe rouge.

Description du fonctionnement :

Lorsque l’on appuie sur le bouton poussoir S2, le relais K1A s’excite et s’autoalimente
ce qui met en route le cycle suivant :

Le relais K2A s’excite, ce qui entraîne d’une part, l’allumage du feu vert H1 et d’autre
part, l’excitation du relais K3T qui s’auto alimente.

Au bout de deux minutes, les contacts de K3T provoquent :

- La désexcitation du relais K2A (extinction du feu vert H1),
- L’allumage du feu orange H2,
- L’excitation du relais K4T qui s’autoalimente.

Dix secondes après cette phase les contacts de K4T entraînent :

- la désexcitation de K3T (extinction du feu orange H2),
- L’allumage du feu rouge H3 ,
- L’excitation du relais K5T.

Au bout de 2 minutes, les contacts de K5T provoquent :

- La désexcitation de K4T (extinction du feu rouge H3),
- L’excitation du K2A (allumage du feu vert 1).

Et le cycle recommence indéfiniment.

Si l’on appuie sur le bouton poussoir arrêt (S1) en cours de cycle, celui – ci continue
jusqu’à l’extinction du feu rouge H3.

Le cycle s’arrête alors puisque K1A est désexcité.

4. Déroulement 

- Par groupe de stagiaire 2 ou 3,
- Sur une plaque de plexiglas ou en bakélite de (40 x 50 cm minimum), tracer le
schéma avec un marqueur permanent.

- Fixer les relais et les lampes de signalisation sur le symbole équivalent.
- Faire le raccordement de tous les éléments par derrière de la plaque, fixer une
goulotte ou le stagiaire va faire le raccordement de tous les éléments, comme c’est
indiqué dans le schéma.

- Après la fixation de divers dispositifs et les raccordements de diverses commandes,
mettre le système sous tension.


Commande de signalisation de communication

1. Objectif visé :

A l’issue de cette séquence la stagiaire sera capable :

- d’utiliser les relais dans des schéma de signalisation,
- de faire le montage de signalisation de communication.

2. Matériel (équipement et matière d’oeuvre)

a) équipement

Alimentation TBT (24 V, 12 V ou bien 6 V) cela dépend des éléments utilisés.

F1 : fusible de protection,
T1 : transformateur 220/ (24 V, 12 v ou bien 6 V),
S3 : Commutateur trois positions situé chez le concierge,
S1 : Bouton poussoir situé chez le concierge,
S2 : bouton poussoir situé dans le couloir,
H1 : voyant situé dans le couloir : « présent »,
H2 : voyant situé dans le couloir : « Absenté,
H3 : voyant situé dans le couloir : « occupé »,
H4 : Sonneire située chez le concierge,
Y1 : Gâche électrique situé sur la porte.

b) Matière d’œuvre

Une plaque de plexiglas, de bakélite, ou bien un contre plaqué,Conducteur, Vis, écrous, rondelles.

3. Description


Sur une plaque de bakélite ou bien plexiglas, tracer le schéma suivant :


Fixer les lampes (H1, H2, H3), les boutons poussoirs (S1, S2), le commutateur S3, la
sonnerie H4 et la gâche électrique sur chaque symbole correspondant et procéder
ensuite à la connexion (interconnexion) de ces éléments par-dessous de la plaque.

4. Déroulement

Le concierge possède dans sa loge :

- Commutateur (S3) qui lui permet d’afficher dans le couloir s’il est présent, absent ou occupé,
- Un bouton poussoir (S1) qui lui permet de commander l’ouverture de sa porte,
- Une sonnerie (H4) qui, commandée par un bouton poussoir (S2) situé dans le,
 permet de signaler la présence d’une personne désirant lui parler.



Commande de signalisation de position

1. Objectif visé

Etudier la commande de signalisation, à l’issue de ce TP, le stagiaire doit connaître l’utilisation du relais.

2. Matériel (équipement et matière d’œuvre)

a) Equipement :

Banc d’essai avec alimentation TBT,

F1 : Coupe circuit,
S1 : Bouton poussoir « Marche »,
S2 : Bouton poussoir « Arrêt »,
K1 : Relais de commande (voir annexes),
H1 : Lampe de signalisation,
H2 : Lampe de signalisation.
N.B. Pour le choix des relais voir annexes.

b) Matière d’œuvre :

Conducteurs

3. Description

Ex1 : Schéma développé 1



Lorsque l’on appui sur S1, le relais K1 s’excite et s’autoalimente, le système fonctionne,
la lampe H1 s’allume. Lorsque l’on appuie sur S2, le relais se désexcite, le système
s’arrête, la lampe s’éteint.

Ex 2 : Schéma développé du montage (2)


Dans certains automatismes, les états marche et arrêt doivent être signalés par deux
voyants différents.

H1 : Lampe de signalisation : système arrêt
H2 : Lampe de signalisation : système en fonctionnement.

4. Déroulement

Commande Marche/arrêt signalés par deux voyants differents parfois dans une chaîne
d’automatisme, il est utile de connaître la portion ou l’état d’un de ses éléments ; pour
répondre à cette fonction il faudra prévoir des voyants adaptée à l’information que l’on
désire.

Montage avec telerupteur

1 commander un circuit de plus de deux endroits

A l’issue de cette séquence le stagiaire sera capable :

- d’installer un télérupteur,
- de faire la différence entre le circuit decommande qui est de 24 V et le circuit de puissance
 (lampe à 220 V).

2. Matériel (équipement et matière d’œuvre)

a) Equipement :

- Banc d’essai,
- Télérupteur à 24 V,
- Transformateur 220/24 V,
- Bouton poussoir (minimum 3),
- Lampe douille (minimum 2).

3. Description

Ce montage permet de commander un circuit d’éclairage d’un nombre quelconque d’endroits.

Électriquement, un télérupteur électromécanique est constitué d’une bobine (ici de 24V)
et d’un contact à accrochage mécanique et à retour automatique.

Lorsque la bobine est alimentée (par action sur un bouton poussoir) le contact se ferme.
Au relâchement du bouton poussoir, la bobine se désexcite mais le contact reste fermé.
Il faudra ré exciter la bobine une deuxième fois pour que ce contact s’ouvre.

La bobine est commandée par les boutons poussoirs et les lampes d’éclairage par le
contact du télérupteur.



Utilisation de deux sources d’énergie de tension différente


- circuit de commande en très basse tension : TBT 24 V
- circuit d’utilisation en basse tension : BT : 220 V (tension réseau)

4. Déroulement

Chaque stagiaire doit tout d’abord élaborer le schéma du montage télérupteur et donner
la lise de matériel et matière d’œuvre, ensuite il procède à la réalisation du montage.



Signalisation lumineuse de bureau


Exemple de fonctionnementtrès simple : Le visiteur qui désire pénétrer dans le bureau appuie
sur un bouton poussoir « A ». A ce moment à l’intérieur un ronfleur produit l’appel sonore, un
voyant s’allume et reste allumé lorsque l’on appuie sur un bouton « A ». De l’intérieur la
personne que l’on désire voir appuie sur un bouton poussoir « At » (Attendez) ou « En » (Entrez)
et fait apparaître à la porte et sur le bloc bureau le signal lumineux correspondant. Le bouton
« Entrez » peut commander une gâche électrique. L’action sur le bouton « Ef » produit
l’effacement des signaux. Un contact porte « C » joue le même rôle.

Signalisation lumineuse de bureau



Utilisation des relais bistables

Fonctionnement:

 A chaque mise sous tension, par action sur un bouton poussoir S de la bobine appel d’un relais
 bistable, le contact de ce relais se ferme, le voyant s’allume et la sonnerie retentit ; En fin d’action
 sur ce bouton poussoir S, la sonnerie cesse de fonctionner mais le voyant reste allumé ;

L’extinction du voyant – ouverture du contact relais bistable – s’obtient grâce à la 2 ème
bobine de ce relais.

Remarques :

-on trouve dans ce schéma 2 bobinages de relais (relais bistable plus relais sonnerie Rs)
montés en série.
-Ce montage est le seul des 3 étudiés qui, en cas de coupure secteur, retrouve sa position
initiale à la mise sous tension.

Utilisation des relais bistables



Schéma développé : tableau à 2 voyants


Utilisation de relais monostables à simple enroulement

Fonctionnement :

Chaque relais à double enroulement (du schéma précèdent) a été remplacé par 2 relais à
simple enroulement. Le fonctionnement est le même ; Mais en ajoutant un 2ème contact au
relais A10 on a supprimé le relais Rs. Il n’y a plus de montage en série. 


Utilisation de relais monostables à simple enroulement


Schéma développé : tableau à 2 voyants

Utilisation des relais à double enroulement.

Fonctionnement :

Quand on appuie sur le bouton S1, le bobinage du relais A1, monté en série avec Rs (relais
sonnerie), est parcouru par du courant ; Le contact A1 se ferme, le bobinage 2 du relais A1
reste alimenté par le contact A1 quand on n’appuie plus sur le bouton S1. La disparition de
l’appel (extinction du voyant) s’obtient quand on coupe le circuit de la bobine 2 de A1 :

action sur Di (bouton disparition sur le tableau) ou sur De (bouton disparition extérieur au
tableau) qui commande Rd (relais disparition).

Remarque : les tableaux à voyants lumineux constituent un des rares exemples ou des
récepteurs (ici bobines des relais), sont montés en série.

Utilisation des relais à double enroulement.




Schéma développé : Tableau à 2 voyants